0

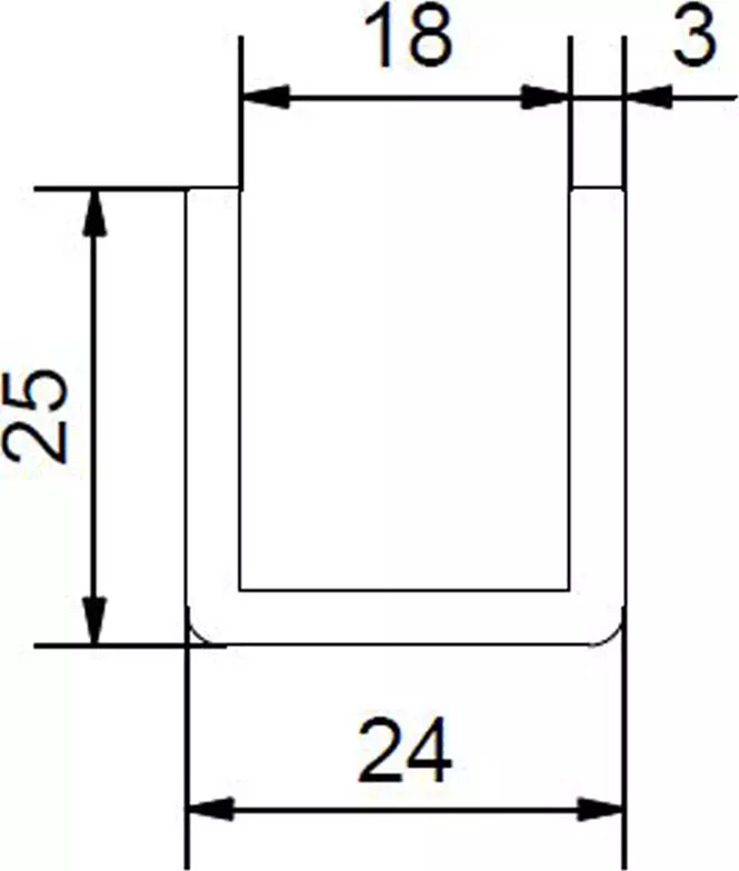
Universal guide channel

Length:

0 ITEM
×