0

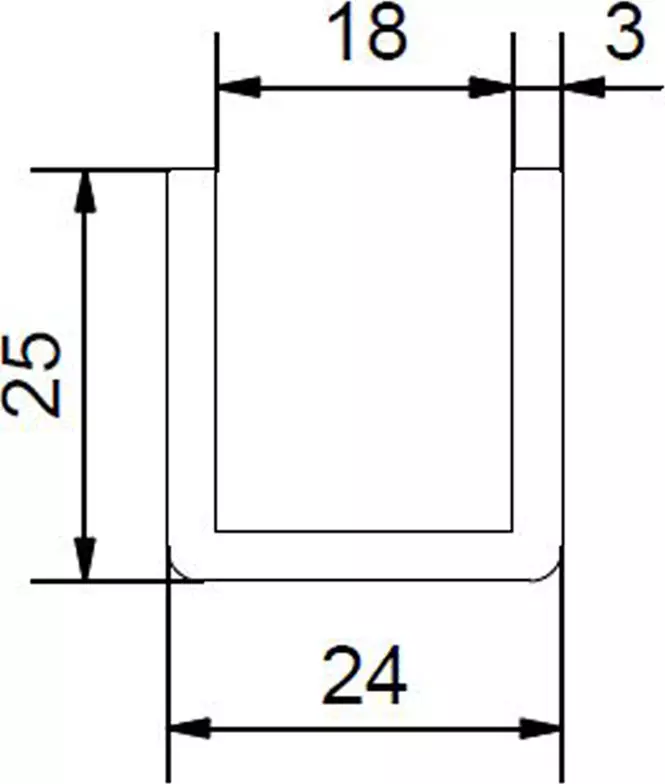
Code: WH89/4000

Universal guide channel

Length:
Excl Incl

$198.56 NZD excl GST

89 Channel (Galvanised steel) - 4000mm
lgth

0 ITEM
×